Элементная база
На вход ключевых транзисторов полумостового преобразователя поступают модулированные по длительности последовательности входных импульсов. Эти сигналы формируются ШИМ-контроллером, выполненном на интегральной микросхеме TL494. Микросхема содержит: два усилителя ошибки, RC-генератор, компаратор «паузы», тактируемый триггер, источник опорного напряжения +5 В, цепи управления выходным каскадом, выходной каскад.
Структурная схема микросхемы (рис. 1.13) аналогична ИМС МВ3759 (FUJITSU), KA7500B (SAMSUNG), TL494 (MOTOROLA). Могут использоваться и другие микросхемы близкие по параметрам. Некоторые характерные отличия параметров микросхем различных производителей, представлены в табл. 1.17, а в табл. 1.18 приведено назначение выводов микросхемы.
Таблица 1.17 Сравнение параметров микросхем TL494 и ее аналогов, различных производителей
|
Микросхема |
Диапазон рабочих температур, •с |
Типовое значение тока ко ротко-замкнутой цепи источника опорного напряжения |
Рабочий диапазон частот колебаний RC-генератора, кГц |
Полоса пропускания усилителей ошибки, кГц |
Коэффициент подавления синфазного сигнала усилителем ошибки, дБ |
Ток коллекторов выходного каскада, мА |
Типовое значение тока потребления в дежурном режиме при питании, мА/В |
|
TL494I(TI) |
-40. ..+85 |
25 |
1...300 |
800 |
80 |
200 |
9/40 |
|
TL494IN(M) |
-20...+85 |
35 |
1...200 |
350 |
90 |
200 |
7,0/40 |
|
КА7500В |
0...+70 |
35 |
1 ...300 |
650 |
|
250 |
6/15 |
|
МВ3759 |
-20...+85 |
40 |
1. .300 |
800 |
80 |
250 |
7 |

Назначение выводов TL494
|
Номер вывода |
Назначение |
|
1 |
Неинвертирующий вход усилителя ошибки 1 |
|
2 |
Инвертирующий вход усилителя ошибки 1 |
|
3 |
Вход обратной связи ШИМ-компаратора |
|
4 |
Вход управления «паузой» |
|
5 |
Вход подключения конденсатора RC-генератора |
|
6 |
Вход подключения резистора RC-генератора |
|
7 |
Корпус |
|
8 |
Вывод коллектора выходного транзистора 1 |
|
9 |
Вывод эмиттера выходного транзистора 1 |
|
10 |
Вывод эмиттера выходного транзистора 2 |
|
11 |
Вывод коллектора выходного транзистора 2 |
|
12 |
Напряжение питания микросхемы |
|
13 |
Вход управления выходными каскадами |
|
14 |
Выход источника опорного напряжения |
|
15 |
Инвертирующий вход усилителя ошибки 2 |
|
16 |
Неинвертирующий вход усилителя ошибки 2 |
Принцип действия
Микросхема TL494 начинает функционировать при подаче напряжения питания на вывод 12. Если рабочий диапазон питающих напряжений на этом выводе находится в пределах 7...40 В, то запускаются встроенный генератор и источник эталонного напряжения.
Генератор работает на фиксированной частоте, с этой же частотой на выводе 5 формируется пилообразное напряжение амплитудой 3,2 В. Частота следования «пилы» зависит от двух внешних компонентов: конденсатора Cj и резистора Rj подключенным к выводам 5 и 6 соответственно.

Приближенно частота генератора определяется по формуле:
FГ= 1,1/(RТСТ) или же по графикам зависимости:
fГ= F(RT) при Сt= const,
приведенным на рис. 1.14.
Прохождение сигналов управления
Сигналы управления длительностью выходного импульса могут поступать на вход управления «паузой» (вывод 4), входы усилителей сигнала ошибки (1, 2, 15, 16) или вход обратной связи (3).
Длительность выходного импульса ШИМ-компаратора устанавливается сравнением положительно нарастающего пилообразного напряжения от генератора (выв. 5) с двумя управляющими сигналами, поступающими на неинвертирующие входы соответствующих компараторов (паузы и ошибки).
Выводы 1, 2, 15, 16 — входы усилителей ошибки.
Вывод 3 — вход обратной связи.
Вывод 4 — «пауза». В литературе могут использоваться названия: время задержки, «мертвая зона».
На выходе ШИМ-контроллера формируется сигнал высокого уровня, если пилообразное напряжение на инвертирующих входах компараторов превышает сигналы управления (ОС, пауза). Увеличение величины управляющих сигналов вызывает соответствующее уменьшение длительности выходных импульсов микросхемы. Обратное соотношение сигналов (превышение уровня сигналов управления пилообразного напряжения) исключает наличие импульсов на выходах микросхемы.
Исключение явления «сквозного» тока
Дополнительной мерой исключения явления «сквозного» тока в полумостовом преобразователе является фиксированное смещение компаратора «паузы» 0,12 В. При напряжении пилы меньшем 0,12 В и нулевом потенциале на выводе 4 на выходе компаратора будет сохраняться нулевой уровень, который соответствует интервалу максимальной длительности выходного импульса и минимальной длительности интервала «пауза», величина которой в этом случае не будет превосходить 4% от периода пилообразного напряжения. Максимальная длительность паузы соответствует напряжению равному +3,3 В на выводе 4 микросхемы.
Режим «медленного пуска»
Наличие режима «медленного пуска» позволяет плавно запустить преобразователь в первый момент включения в электрическую сеть. Этот режим запуска считается очень тяжелым режимом работы преобразователя, так как все фильтровые конденсаторы разряжены, в связи с этим режим пуска близок к режиму короткого замыкания.
Транзисторы преобразователя до момента окончательного заряда конденсаторов фильтров выпрямителей должны работать в критическом режиме максимальных токов. Обеспечить комфортную работу транзисторов во время запуска преобразователя до окончания заряда конденсаторов фильтров позволяет использование RC-цепи, заряд конденсатора которой осуществляется, как правило, от источника эталона (выв. 14). При этом длительность выходных сигналов плавно увеличивается до номинального режима работы выходных транзисторов преобразователя.
Усилители ошибки
Главное назначение усилителей ошибки — измерение отклонения выходного напряжения и тока нагрузки с целью поддержания напряжения на выходе источника питания на постоянном уровне. В режиме стабилизации модуляция длительности величины выходных управляющих импульсов осуществляется сигналами усилителей ошибок, входное напряжение которых может изменяться в пределах от 0,5 до 3,5 В. Оба усилителя могут работать в одинаковых режимах. Выходы усилителей соединены с неинвертирующим входом ШИМ-компаратора (рис. 1.13). Такая архитектура микросхемы (с управлением по цепи обратной связи) позволяет поддерживать напряжения на выходе источника питания с минимальным отклонением.
В двухтактном режиме вход управления выходными каскадами (вывод 13) подключается к источнику опорного напряжения (вывод 14). В микросхеме имеется источник опорного напряжения (вывод 14), который в рабочем режиме формирует напряжение +5 В с максимальным током нагрузки 10 мА. Назначение этого источника — питание внешних по отношению к микросхеме цепей.
Выходной каскад
На выходе компаратора «паузы» формируется импульс положительной полярности, если времязадающий конденсатор Су разряжен. Импульс поступает на синхронизирующий вход D-триггера и на входы элементов ИЛИ-НЕ выходного драйвера, закрывая выходные транзисторы Q1, Q2. В двухтактном режиме, когда вход управления выходными каскадами (вывод 13) соединен с источником опорного напряжения (вывод 14), транзисторы выходного каскада управляются противофазно. В этом случае частота переключения каждого транзистора равна половине частоты генератора, а ток, протекающий через каждый выходной транзистор, не превышает величины 200 мА.
Защита транзисторов полумостового преобразователя
Защита транзисторов полумостового преобразователя в микросхеме реализована на компараторах низкого напряжения: по питающему и эталонному, опорные напряжения для компараторов подводятся к неинвертирующим входам, информационные — к инвертирующим. Уменьшение значения какого-либо из контролируемых напряжений ниже установленных пределов устанавливает соответствующий компаратор в единичное состояние, при этом импульсная последовательность на выходе ШИМ-компаратора прекращается.

Типовая схема включения.
Типовая схема включения микросхемы TL494 в источнике питания с полумостовым преобразователем представлена на рис. 1.15, временные диаграммы — рис. 1.16. На схеме конденсатор С4 и резистор R6 — элементы времязадающей цепи генератора, частота переключения составляет примерно 73 кГц, резисторы R3, R4, конденсаторы C1, C3 образуют цепи коррекции усилителей ошибки 1 и 2, соответственно.
Для реализации двухтактного режима работы преобразователя вход управления выходными каскадами (вывод 13) соединен с источником эталонного напряжения (вывод 14). С выводов 8 и 11 микросхемы управляющие импульсы поступают в базовые цепи транзисторов преобразователей.
Напряжение питания +25 В подается на вывод питания микросхемы (вывод 12) и на среднюю точку первичной обмотки трансформатора Т1 для питания транзисторов преобразователя. Опорное напряжение для усилителей ошибок формируется также от источника эталонного напряжения, для чего инвертирующие входы усилителей через резисторы R1, R2 соединены с выводом 14 микросхемы.
На неинвертирующий вход усилителя ошибки 1 (вывод 1) информация о выходном напряжении источника поступает с делителя R11, R12. С резистора R9 на инвертирующий вход усилителя ошибки 2 поступает информация о токе в нагрузке.
Режим «медленного пуска» образован последовательным соединением элементов С2 и R5, причем положительная обкладка конденсатора С2 подключена к выходу источника эталонного напряжения (вывод 14). Эпюры напряжения на временных диаграммах рис. 1.16 показывают:
а) форму пилообразного напряжения на выводе 5 микросхемы;
б, в) выходные импульсы микросхемы;
д) напряжение в средней точке первичной обмотки согласующего трансформатора.
Варианты исполнения ШИМ-формирователей
Варианты исполнения ШИМ-формирователя представлены на рис. 1.17...1.23.«Основные отличия между схемами заключаются в организации цепей смещения усилителей ошибки и включением схемы медленного пуска.
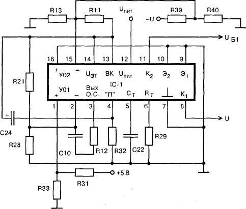
РС-386. Типовая схема ШИМ-формирователя источника питания РС-386, представлена на рис. 1.17. Питание на микросхему подается: +Uпит — на вывод 12, корпус — на вывод 7 IC1. В этой схеме элементы С22, R29 образуют времязадающую цепь. Конденсатор С10 и резистор R12 составляют корректирующую цепь усилителя ошибки 1. Информация о выходном напряжении с выходного канала +5 В через делитель R31, R33 поступает на неинвертирующий вход (вывод 1) этого усилителя, на второй вход этого усилителя (вывод 2) подано опорное напряжение с делителя R21, R28 от источника эталонного напряжения (вывод 14 IC1). В усилителе ошибки 2 неинвертирующий вход (вывод 16) замкнут с корпусом, начальное смещение (опорное) через делитель R11, R13 подается на инвертирующий вход (вывод 15 IC1). Этот усилитель участвует в формировании опережающего управления по току транзисторов преобразователя, информация о токе снимается с делителя R39, R40, играющего главную роль при защите транзисторов преобразователя от максимального тока. Для реализации двухтактного режима работы выходного каскада выход источника эталонного напряжения соединен с выходом управления выходными каскадами (вывод 13). Выходной каскад использует включение транзисторов по схеме с общим эмиттером, поэтому выходные импульсы снимаются с коллекторов выходных транзисторов (выводы 8, 11). Медленный пуск преобразователя реализован с помощью элементов С24, R32.

Рис. 1.17. ШИМ-преобразователь в РС-386
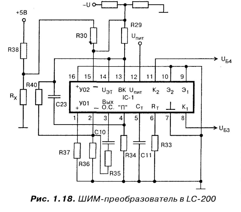
LC-200. В ШИМ-формирователе LC-200 (рис. 1.18) в качестве усилителя ошибки выходного напряжения и тока выходных транзисторов преобразователя используется усилитель ошибки 2. С делителя R38, RX от источника +5 В поступает информация о выходном напряжении на вывод 15 IC1. Остальные цепи принципиального отличия от предыдущей схемы не имеют.

PS-6220C. На рис. 1.19 показана схема PS-6220C. На рис. 1.19 показана схема Ш И М-формирователя источника питания PS-6220C. Включение микросхемы в этой схеме отличается наличием резистивно-конденсаторных цепей коррекции в каждом из усилителей ошибки: элементы R47, С27 — корректирующая цепь усилителя 1, цепь С26, R46 — усилителя 2. В небольших пределах выходное напряжение может устанавливаться резистором VR1.

AT. Схема одного из вариантов ШИМ-формирователя источника питания AT, представлена на рис. 1.20. Схема имеет типовое включение. Конденсатор С24, резистор R37 образуют времязадающую цепь микросхемы, коррекция усилителя ошибки 1 осуществляется элементами С23 и R36. Делитель R25, R28, R33, R40, R41 формирует опорное напряжение на выводе 2. Информация о выходном напряжении с резисторов R27, R42, R43 поступает на неинвертирующий вход усилителя 1 (вывод 1). С помощью резисторного делителя R25, R26, R29 формируется опорное напряжение на усилителе 2 (вывод 15). Информация о токе в транзисторах преобразователя поступает в среднюю точку резисторов R26, R29.

ATX. Принципиальные схемы ШИМ-формирователя источников питания конструктива АТХ показаны на рис. 1.21 и 1.22. В схеме рис. 1.21 информация о выходном напряжении поступает с делителя R50, VRl, R49, подключенному к источнику канала +12 В. Наличие регулировочного резистора VR1 позволяет вручную устанавливать номинальное значение выходного напряжения источника питания. Остальные элементы схемы представляют типовое включение микросхемы.

PM-230W. Особенность реализации ШИМ-формирователя PM-230W рис. 1.23 (а также конструктив АТХ рис. 1.22) заключается в том, что на усилитель ошибки подается сумма двух напряжений +5 В и + 12 В, сумматор образован резисторами R42, R43, R44. Опорные напряжения формируются: для усилителя ошибки 1 (вывод 2) резисторами R21, R22, для усилителя 2 (вывод 15) используется эталонное напряжение. Элементы цепи медленного пуска размещены на отдельной плате, показанной на схеме пунктиром.

«Медленный пуск» преобразователя
В момент включения источника питания конденсаторы фильтров разряжены, сигналы обратных связей отсутствуют. Источник питания фактически работает на короткозамкнутую нагрузку. Действие обратной связи приводит к тому, что мощность на коллекторных переходах может превысить допустимую. Поэтому для обеспечения постепенного «вхождения» преобразователя в режим нормальной стабилизации, необходимо ограничивать ток транзисторов в момент пуска. Для этого реализован режим «медленного пуска».
Режим реализован последовательным соединением резистора и конденсатора рис. 1.24. Один из элементов цепи, как правило конденсатор,
подключен к источнику эталонного напряжения микросхемы (вывод 14), средняя точка цепи подключена к входу «пауза». После включения в сеть и запуска преобразователя формируется напряжение питания микросхемы, как правило, '+25 В. Из этого напряжения микросхемой формируется эталонное напряжение +5 В, являющееся источником для цепи «медленного запуска». В этот момент (включения) по цепи протекает зарядный ток, к входу управления «паузой» прикладывается максимальное падение напряжения на резисторе R, что соответствует появлению на выходах микросхемы (выводы 8, 11) импульсов малой длительности. По мере заряда конденсатора С напряжение на выводе 4 уменьшается, длительность управляющих импульсов увеличивается, растет напряжение на выходе источника и, соответственно, происходит заряд конденсаторов фильтров. С ростом напряжения на выходе увеличивается напряжение обратной связи и ШИМ-формирователь переходит в режим стабилизации. Этот процесс иллюстрирует временные диаграммы на рис. 1.25.
