Вспомогательный преобразователь.
Вспомогательный преобразователь является конструктивной особенностью источников питания формата АТХ. Данный преобразователь формирует напряжение +5B_SB в выключенном состоянии системного модуля. Устройство представляет собой блокинг-генератор, функционирующий в автоколебательном режиме в течение всего времени замкнутого состояния сетевого выключателя блока питания.
Упрощенная схема автоколебательного блокинг-генератора для обратноходового преобразователя приведена на рисунке 1. Основными элементами блокинг-генератора являются транзистор Q и трансформатор Т1. Цепь положительной обратной связи образована вторичной обмоткой трансформатора, конденсатором С и резистором R, ограничивающим ток базы. Резистор R6 создает контур разряда конденсатора на этапе закрытого состояния транзистора. Диод D исключает прохождение в нагрузку RH импульса напряжения отрицательной полярности, возникающего при запирании транзистора. Ветвь, состоящая из диода D1, резистора R1 и конденсатора С1, выполняет функцию защиты транзистора от перенапряжения в коллекторной цепи.

Рис. 1
Работа схемы автоколебательного блокинг-генератора поясняется временными диаграммами (рис. 2). При включении питания конденсатор С разряжен (Uc =0, момент t1, через транзистор протекает небольшой ток базы, приводящий к заряду конденсатора С. Наличие положительной обратной связи, образующейся соответствующим включением базовой обмотки трансформатора Т1, приводит к лавинообразному процессу увеличения базового и коллекторного токов транзистора Q. Процесс продолжается так до тех пор, пока транзистор не перейдет в процесс насыщения (момент t2).
В режиме насыщения происходит уменьшение базового тока Iб и рост тока намагничивания IM (рис. 2.г), вызванного намагничиванием сердечника трансформатора Т1. В некоторый момент времени t3 (рис. 2.г) базовый ток уменьшается настолько, что транзистор выходит из режима насыщения и его коллекторный ток IK уменьшается. Действие обратной связи приводит к запиранию транзистора Q. В период закрытого состояния происходит разряд конденсатора С и рассеивание энергии, накопленной в магнитном поле трансформатора Т1. В закрытом состоянии транзистора Q коллекторная обмотка импульсного трансформатора отключена от источника питания, а его нагрузочная обмотка отключена от сопротивления RH диодом D. Диод D1 относительно напряжения коллекторной обмотки транзистора Q включен в прямом направлении. При этом считается, что ток намагничивания переводится из цепи коллектора в демпфирующую цепь Dl, Rl, С1, где и происходит рассеивание энергии накопленной трансформатором Т1. В тот момент, когда при разряде конденсатора напряжение Ug3 станет равным нулю, транзистор Q открывается и начинается формирование следующего импульса.

Рис. 2
Схема типового преобразователя автогенераторного типа показана на рисунке 3. Во всех схемах, преобразователей ключевой транзистор работает в режиме с большими коммутационными перегрузками по току коллектора, поэтому в автогенераторе используется мощный транзистор. Характеристики транзисторов приведены в табл. 1. Для увеличения длительности «паузы» ключевого транзистора в автоколебательном режиме используется дополнительный источник отрицательного смещения. Ограничение выбросов управляющего сигнала осуществляется стабилитроном ZD2, включееным в цепь базы ключевого транзистора Q3. В цепи демпфирования допустимо использование RC-цепи, включенной в коллекторную цепь транзистора, в некоторых случаях демпфирующая RC-цепь устанавливается и в цепи базы ключа.
Таблица 1
|
Транзистор |
Тип |
Ik max, A |
Uk макс, В |
U к-э макс, В |
Ркол- ВТ |
h21э |
Fгp, МГц |
Корпус |
|
2SC3457 |
Si-N |
3 |
800 |
1100 |
50 |
10..40 |
15 |
ТО-220АВ |
|
2SC4020 |
Si-N |
3 |
800 |
900 |
50 |
>10 |
6 |
ТО-220 |
|
2SC5027 |
Si-N |
3 |
800 |
1100 |
50 |
10..40 |
15 |
ТО-220 |

Рис. 3
Каскад управления.
Управление транзисторами полумостового преобразователя осуществляется каскадом на транзисторах Ql, Q2. Кроме этой функции схема управления осуществляет согласование и гальваническую развязку мощных силовых каскадов от маломощных цепей управления.

Рис. 4 Транзисторный каскад управления
Транзисторы Ql, Q2 схемы работают в ключевом режиме с соединенными эмиттерами поочередно. Коллекторными нагрузками являются полуобмотки трансформатора Т1 (выводы 1-2, 2-3), в среднюю точку которого (вывод «2) подается питание на схему через элементы R4, D5. Диод D5 предотвращает влияние сигналов в первичных обмотках трансформаторов на работу ШИМ-формирователя по шине питания.
Резисторы Rl, R2 и R3 формируют смещение в цепи базы транзисторов Q2 и Q1 соответственно. Импульсы управления с микросхемы ШИМ-формирователя поступают на базы транзисторов схемы. Под воздействием управляющих импульсов один из транзисторов, например Q1, открывается, а второй Q2, соответственно, закрывается. Надежное запирание транзистора осуществляется цепочкой Dl, D2, С1. Так, при протекании тока в открытом транзисторе Q1 по цепи:
+25 В → R4→ D5→ Т1(выв. 2-1) → О1(к-э) → D2, D1 → корпус
в эмиттере транзистора Q1 формируется падение напряжения + 1,6 В. Оно достаточно для запирания транзистора Q2. Наличие конденсатора С1 способствует поддержанию запирающего потенциала во время «паузы». Диоды D3, D4 предназначены для рассеивания магнитной энергии, накопленной полуобмотками трансформатора. Наличие транзисторов в выходном каскаде микросхемы позволяет выполнить эту схему без использования дополнительного транзисторного каскада.
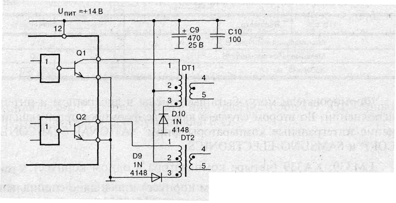
На рисунке 5 показан вариант бестранзисторной схемы, применяемой в источнике питания компьютера «Appis». Управление транзисторами полумостового преобразователя осуществляется с помощью двух трансформаторов DTI, DT2, являющихся нагрузками выходов микросхемы. Питание к коллекторам выходных транзисторов микросхемы подводится от источника +14 В через средние точки первичных обмоток управляющих трансформаторов. Возвратные диоды D9, D10 предназначены для размагничивания сердечников трансформаторов в период закрытого состояния транзистора. Энергия, запасенная трансформатором в период открытого состояния транзистора, при размагничивании подзаряжает конденсаторы фильтров цепи питания. Так, например, при закрытом транзисторе Q1 ток, размагничивающий сердечник DT1, протекает по цепи:
DT1(выв. 2) → С9 → корпус → D10 → DT1(выв. 3).

Рис. 5
Формирователь сигнала Power Good.
Для корректного запуска вычислительной системы компьютера в системной плате организована задержка подачи питания на время, пока не закончатся переходные процессы в блоке питания и на выходе не установятся номинальные значения выходных напряжений. С этой целью в блоке питания формируется специальный сигнал Power Good («питание в норме»). Задержанный на 0,1...0,5 с сигнал Power Good представляет собой уровень логической единицы, порядка +5 В, который предназначен для начальной установки системной платы.
Не менее важной функцией данного формирователя является контроль выходных напряжений в пределах их допуска. В табл. 2 приведены характеристики сигнала Power Good.
Типовые характеристики сигнала Power Good Таблица 2
|
Параметр |
Значение |
|
Минимальная величина, В |
+3,0 |
|
Максимальная величина, В |
+6,0 |
|
Задержка, мс |
100...500 |
Формирователи могут быть выполнены в дискретном и интегральном исполнении. Во втором случае в качестве формирователей нашли применение интегральные компараторы фирм NATIONAL SEMICONDUCTOR CORP и SAMSUNG ELECTRONICS:
LM339; KA339 (четыре компаратора в одном корпусе);
LM393; КА393 (два в одном корпусе) или в виде специализированной микросхемы М51975А.
Вариант 1
Формирователь сигнала Power Good источника питания РС-386 показан на рис.6. Формирователь состоит из триггера на транзисторах Q7, Q8, каскада выключения сигнала P.G. на тиристорном эквиваленте Q9, Q10, датчика выходного напряжения Q11 и элементов задержки R41, С27.
В исходном состоянии конденсатор С27 разряжен, транзистор Q7 закрыт, на его коллекторе потенциал источника питания (шина +5 В), который открывает транзистор Q8. При его отпирании на выход блока передается сигнал логического нуля. По мере формирования выходных напряжений происходит заряд конденсатора С27 от источника напряжения + 12 В. Через некоторое время, равное задержке включения, транзистор Q7 открывается, а транзистор Q8 закрывается, на выходе P.G. формируется уровень логической единицы. Суммарное напряжение источников +5 В и +12 В поступает на датчик выходного напряжения, выполненный на резисторах R51, R52.
Нормальное напряжение питания не вызывает срабатывания тиристорной структуры Q9, Q10. Отключение этих напряжений за пределы установленного допуска приводит к отпиранию транзистора Q11 и протеканию тока по цепи:
+Uпит → R46 → R50 → О11(э-к) → R49 → R48 → корпус.
Лавинообразный процес включения транзисторов Q9, Q10 приводит к шунтированию и сбросу сигнала P.G.

Рис. 6
Вариант 2
Очень простой вариант исполнения формирователя P.G., встречаемый в источниках питания AT, представлен на рисунке 7.

Рис. 7
Схема состоит из элементов задержки на элементах С17, R41, R42 и выходного ключа на транзисторе Q7. С появлением выходного напряжения +5 В по цепи:
+5 В → С17 → R41 → R42 → корпус
протекает ток заряда конденсатора С17. Под воздействием этого тока на резисторе R42 формируется падение напряжения, достаточное для удержания ключа Q7 в открытом состоянии. На выходе линии P.G. напряжение логического нуля. По окончании заряда С17 транзисторный ключ Q7 закрывается и с его коллектора на системную плату поступает напряжение близкое к +5 В. Удержание транзистора в закрытом состоянии происходит отрицательным напряжением с «минусовой» обкладки конденсатора. Диод D27 формирует цепь быстрого разряда конденсатора при выключении блока питания, это необходимо для установления схемы в исходное состояние при повторном включении источника.
Вариант 3
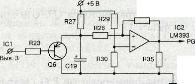
Вариант 3 (рис. 8) представляет еще одну модификацию исполнения формирователя сигнала P.G. Здесь с выхода цепи задержки сигнал поступает на один из компараторов IC2 микросхемы LM393. На выходе компаратора устанавливается сигнал логической единицы при превышении напряжения на неинвертирующем входе компаратора опорного, которое подводится ко второму входу компаратора. При понижении выходных напряжений ниже установленных допусков уменьшается потенциал на выводе 3 микросхемы IC1 (ШИМ-формирователя) транзистор Q6 открывается и происходит разряд конденсатора С19, при этом на выходе компаратора устанавливается напряжение логического нуля.

Рис. 8
Выходной выпрямитель.
Особенности построения
Выходные выпрямители источника питания различают по значению напряжения выходного канала. Они выполнены по двухтактной схеме и, как уже отмечалось, имеются на Uвых= +12 В, +5 В, — 12 В и —5 В. Вследствие высокой частоты работы преобразователя объясняется использование специальных элементов, допускающих работу при повышенных частотах и температурах. Так, в качестве выпрямительных используются диоды Шоттки, обладающие малым падением напряжения в прямом направлении (0,2...0,3 В для кремниевых диодов), и конденсаторы с малыми потерями, допускающими работу при высоких температурах.
Схема выходного выпрямителя типового источника питания формата АТХ
Схема представлена на рисунке. Выпрямитель каждого канала выполнен по двухполупериодной схеме выпрямления, обладающей меньшим коэффициентом пульсаций по сравнению с однополупериодной. Фильтрацию выходного напряжения выходных напряжений осуществляют индуктивными (LI, L3, L4) и емкостными фильтрами (С19, С20, С21, С22 и С25). Включение последовательных RC-цепочек R9, С10 и R10, СП параллельно обмоткам трансформаторов позволяет уменьшить интенсивность помех создаваемых источником. Возможность значительного повышения напряжения на выходе выпрямителя при отключенной нагрузке устраняется резисторами R31, R32, R33, R34.
Формирование отрицательных напряжений источника питания может осуществляться не только с помощью выпрямителей, но и с применением интегральных стабилизаторов. Например, в канале —5 В источника питания E200S-U используется интегральный стабилизатор типа МС7905 .
Выпрямитель +3,3 В источников питания формата АТХ может быть исполнен по схеме простейшего последовательного компенсационного стабилизатора напряжения, как например в PM-230W.
Характеристики выпрямительных диодов Шоттки и быстродействующих диодов представлены в табл. 3 и табл. 4 соответственно.
|
Основные характеристики |
выпрямительных диодов Шоттки |
Таблица 3 |
|
|
Тип диода |
Lnpмакс,A |
U обр макс, В |
Корпус |
|
10JTF20 |
2x10 |
200 |
ТО-220 |
|
СТВ-34М |
|
|
|
|
СТВ-34 |
|
|
|
|
S15C4M |
16/95 |
40 |
ТО-ЗР |
|
S30D40C |
60/100 |
40 |
ТО-ЗР |
|
SBL2040CT |
20/100 |
40 |
ТО-220АВ |
|
SR1040 |
|
|
|
|
Характеристики быстродействующих диодов |
|
Таблица 4 |
|
|
Тип диода |
I пр макс//град,, А/°С |
U обр макс, В |
Корпус |
|
FR102 |
1/75 |
100 |
ТО-220АВ |
|
PR1002 |
|||
|
FR103 |
1/75 |
200 |
ТО-220АВ |
|
PR 1003 |
|||
|
PR1004 |
1,0/75 |
400 |
DO-41 |
|
STPR1020 |
1,0/55 |
|
|
|
SR1503 |
1,5/50 |
200 |
DO-15 |
|
PR1503 |
|||
|
PXPR1503 |
|||
|
PR1507 |
1,5/55 |
1000 |
|
|
PR3002 |
3/90 |
100 |
DO-201AD |

Высокочастотный выпрямитель источника питания PM-230W

Формирователь отрицательного напряжения – 5 В на интегральной микросхеме MC7905C