Входной фильтр.
Блок питания представляет собой серьезный источник помех компьютера для бытовой теле- и радиоаппаратуры. Причины помех:
переключательный режим полупроводниковых приборов;
наличие реактивных элементов, таких как индуктивность выводов элементов и емкость монтажа, которые приводят к возникновению паразитных автоколебаний.
Интенсивность помех существенно зависит от быстродействия транзисторов и диодов силовой части, а также длины выводов элементов и емкости монтажа. Наличие помех оказывает неблагоприятное воздействие и на работу самого блока питания, проявляющееся в ухудшении характеристик стабилизации источника. Это, в свою очередь, может приводить к нестабильной работе другого оборудования, подключенного к той же фазе первичной сети, что и импульсный источник. В связи с этим, абсолютно любой блок питания должен иметь в своем составе входные помехоподавляющие цепи, обеспечивающие его защиту от помех из первичной сети, а также защиту первичной сети от высокочастотных помех импульсного источника. Кроме того, эти цепи могут выполнять функции по защите от высоких напряжений и больших токов.
Переменный ток сети на первом этапе преобразования должен быть выпрямлен с помощью диодного моста. На этот диодный мост переменный ток подается через сетевой выключатель, сетевой предохранитель, терморезистор с отрицательным температурным коэффициентом сопротивления (ТКС) и помехоподавляющий фильтр. В подавляющем большинстве источников питания построение входных цепей одинаково, и такая типовая схема входных цепей приводится на рис.1.

D1-D4
310В
Рис. 1

Рис. 2
Терморезистор с отрицательным ТКС служит для ограничения броска зарядного тока через конденсатор С5 в момент включения источника питания. При включении блока питания в начальный момент времени через диодный мост протекает максимальный зарядный ток конденсатора С5, и этим током может быть выведен из строя один (или более) диод выпрямителя. Так как в холодном состоянии сопротивление терморезистора составляет несколько Ом, ток через выпрямительные диоды моста ограничивается на безопасном для них уровне. Через некоторый промежуток времени в результате протекания через терморезистор зарядного тока С5 , он нагревается, его сопротивление уменьшается до долей Ома и больше не влияет на работу схемы.
Такое решение проблемы ограничения броска зарядного тока при помощи элемента с нелинейной вольт - амперной характеристикой используется достаточно часто, так как схема при этом получается наиболее простой и дешевой по сравнению с другими вариантами. Кроме того, она обеспечивает минимальные потери и высокую надежность, что и обуславливает ее применение практически во всех блоках питания. Ограничительный терморезистор, как и всякий нагреваемый элемент, обладает тепловой инерцией. Это означает, что для того, чтобы он восстановил свои ограничительные свойства, после выключения блока питания из сети должно пройти некоторое время (порядка нескольких минут), то есть он должен остыть. При этом следующее включение блока питания произойдет так же с ограничением броска зарядного тока. И это является дополнительным условием, из-за которого настоятельно рекомендуется выждать одну-две минуты перед следующим включением источника питания после его выключения, хотя на практике часто встречаются ситуации, при которых необходимо выключить источник питания и тут же снова включить его.
Терморезисторы довольно часто выходят из строя при пробоях силового транзистора, пробоях диодов выпрямителя. Неисправности терморезисторов довольно очевидны, так как они перегорают обычно с физическими нарушениями корпуса, т.е. корпус элемента разламывается и на нем видны следы копоти. При перегорании терморезистора специалист, производящий ремонт, может применить несколько вариантов решения проблемы:
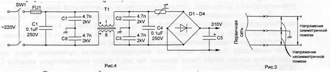
Следует отметить, что ограничительный терморезистор некоторые производители размещают между "-" диодного моста и общим проводом первичной части (рис.2).
В некоторых источниках питания терморезисторы не используются, а применяются ограничительные резисторы большой мощности (обычно белого цвета и имеющие форму параллепипеда). Эти резисторы имеют номинал сопротивления, равный несколько Ом и мощность 5-10 Вт. Как уже отмечалось ранее, такой резистор обеспечивает ограничение тока не только в момент включения, а постоянно при работе источника питания. Поэтому на резисторе рассеивается достаточно большая мощность, и он очень сильно нагревается.
Сетевой плавкий предохранитель FU1 предназначен для защиты питающей сети от перегрузок, которые возникают при неисправностях сетевого выпрямителя или силового транзистора. Конструктивное изменение положения предохранителя при ремонте нежелательно, так как это может приводить к появлению сетевых электромагнитных помех.
Входной помехоподавляющий фильтр обладает свойством двунаправленного помехоподавления, то есть предотвращает проникновение высокочастотных импульсных помех из сети в блок питания и, наоборот, из блока питания в сеть. Эти импульсные помехи могут иметь значительную амплитуду. Сетевые помехи имеют в основном промышленную основу и создаются аппаратурой дуговой и контактной сварки, силовой пускорегулирующей аппаратурой, приводными электродвигателями, медицинской аппаратурой и т.д. Генерируемые блоком питания помехи обусловлены, главным образом, импульсным режимом работы силового транзистора и выпрямительных диодов. Помехи, генерируемые и силовой сетью и блоком питания можно разделить на два типа: симметричные и несимметричные.
Симметричная (дифференциальная) помеха - напряжение между проводами питания. Эта помеха измеряется между двумя полюсами шин питания.
Несимметричная (синфазная) помеха - напряжение между каждым проводом и корпусом блока питания (рис.3).

Для анализа работы помехоподавляющего фильтра рассмотрим случай, когда симметричная помеха воздействует на схему блока питания.
ЭДС помехи приложена к входу источника питания между фазным и нулевым проводом со стороны сети. Конденсатор С1 представляет собой очень большое сопротивление для питающего тока сетевой частоты (50Гц), и поэтому этот ток через конденсатор С1 не ответвляется. Для импульсного высокочастотного тока помехи этот конденсатор, напротив, имеет очень малое сопротивление, и поэтому большая часть тока помехи замыкается через него.
Однако одного конденсатора С1 оказывается недостаточно для полного подавления помехи. Поэтому далее включается двухобмоточный дроссель Т1 (нейтрализующий трансформатор), обмотки I и II которого имеют одинаковое число витков и намотаны на одном сердечнике. Направление намотки обеих обмоток согласное. Из этого следует, что полезный ток сетевой частоты, протекающий по обмоткам I и II в противоположных направлениях, будет создавать в сердечнике Т1 два равных встречно-направленных магнитных потока, взаимно компенсирующих друг друга. Поэтому независимо от величины потребляемого от сети тока сердечник Т1 не будет намагничиваться, а значит, индуктивность обеих обмоток будет максимальна. Несмотря на это, из-за того, что питающий полезный ток имеет низкую сетевую частоту, обмотки Т1 не будут оказывать ему сколько-нибудь значительного сопротивления. Высокочастотный же ток помехи будет задерживаться этим дросселем. При этом, благодаря трансформаторному исполнению, индуктивность каждой из обмоток Т1 возрастает на величину взаимной индуктивности. Это объясняется тем, что магнитные потоки от высокочастотного тока помехи точно также взаимно компенсируются, как и токи сетевой частоты. Поэтому сердечник Т1 не намагничивается, а магнитная проницаемость его максимальна. Если бы вместо Т1 в каждый провод включался бы обычный дроссель, то протекающий ток намагничивал бы сердечники этих дросселей, в результате чего их магнитная проницаемость была бы меньше, даже при том же количестве витков.
Далее уже остаточная энергия помехи подавляется конденсатором С4, который замыкает через себя оставшуюся часть тока высокочастотной помехи, прошедшую через Т1.
Однако основное назначение конденсатора С4 иное. Диодный выпрямитель (D1-D4) также является генератором высокочастотных помех, что связано с импульсным характером тока через выпрямитель. Величина помех в основном зависит от свойств полупроводниковых диодов выпрямителя (крутизны вольтамперной характеристики, инерционности).
Процесс восстановления обратного сопротивления диодов при переключении не является мгновенным, и при смене полярности приложенного напряжения через диоды протекают импульсные обратные токи, обусловленные рассасыванием избыточных носителей. Эти импульсные токи и являются помехами, генерируемыми сетевым выпрямителем. Конденсатор С4, включенный в диагональ диодного моста, замыкает через себя токи этих импульсных помех, препятствуя их проникновению в питающую сеть и нагрузку блока питания.
Конденсаторы С2 и СЗ - обязательные элементы и предотвращают проникновение несимметричных импульсных помех в питающую сеть. Такие же конденсаторы могут устанавливаться и до дросселя, образуя таким образом симметричный фильтр (рис.4)
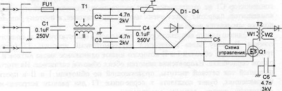
Для предотвращения проникновения несимметричных помех из силового преобразователя в нагрузку через общий провод вторичной стороны в некоторых блоках питания этот общий провод не имеет гальванической связи с корпусом блока питания, а подключен к нему через дополнительный фильтрующий конденсатор малой емкости. При таком включении большая часть тока импульсной помехи замыкается через этот конденсатор внутри схемы блока питания. На рис.5 таким конденсатором является С6 (4.7n/3kV).
Следует отметить, что для разрядки конденсаторов сетевого фильтра после выключения блока питания из сети на выходе сетевого фильтра может включаться высокоомный резистор R1 на рис.4. Включение такого резистора обусловлено требованиями техники безопасности при ремонте блока питания.

Рис. 5
В современной схемотехнике во многих блоках питания по сетевому входу включается также варистор или динистор. Варистор - это нелинейный элемент, сопротивление которого зависит от приложенного к нему напряжения. Поэтому, пока сетевое напряжение не выходит за пределы допустимого, сопротивление варистора велико (десятки мОм), и он не влияет на работу схемы. При перенапряжении в сети варистор резко уменьшает свое сопротивление, и возросшим током через него выжигается плавкий предохранитель. Остальные элементы блока питания при этом остаются целыми. Сам варистор при этом обычно выходит из строя, что очень легко заметить - он чернеет, на окружающих его элементах - копоть и обычно варистор раскалывается. Достаточно часто для защиты источника питания от работы при повышенных напряжениях сети используется зенеровский диод, обозначаемый на схемах ZNR. Принцип работы его практически не отличается, т.е. если к нему прикладывается напряжение выше уровня его пробивного напряжения, то он "пробивается" и также выжигает плавкий предохранитель.
Маркировка варистора или зенеровского диода является достаточно простой. На корпусе тремя цифрами указывается номинал пробивного напряжения. Например, число 301 соответствует пробивному напряжению 300В (30 х 101), число 271 - напряжению 270В (27 х101) и т.д.
В случае неисправного варистора или зенеровского диода установка нового предохранителя и повторное включение источника питания опять приводит к перегоранию предохранителя. Замену варистора или диода желательно производить на аналогичное изделие. Установка прибора с меньшим пробивным напряжением часто приводит его "пробою" при включении источника питания, т.к. именно в момент включения наблюдается большой скачок напряжения. Если установить прибор с большим значением пробивного напряжения, то в момент включения он не будет выходить из строя, однако и защищать источник питания он буде хуже. Возможен и такой способ решения проблемы, как полное удаление варистора (зенеровского диода) из схемы. Источник питания при этом будет запускаться без проблем, и предохранитель будет оставаться целым, однако, как, наверное, всем понятно, защита от повышенного напряжения сети будет отсутствовать. Такой способ решения проблемы стоит применять только в том случае, если вы уверены в хорошем качестве питающего напряжения и нет возможности найти аналогичную замену неисправному прибору.
Низкочастотный выпрямитель
Питание преобразователей осуществляется постоянным напряжением, которое вырабатывается низкочастотным выпрямителем (рис. 1.7). Мостовая схема выпрямления, выполненная на диодах D1...D4, обеспечивает надлежащее качество выпрямления сетевого напряжения. Последующее сглаживание пульсаций выпрямленного напряжения осуществляется фильтром на дросселе L1 и последовательно включенных конденсаторах C1, C2. Следует отметить, что дроссель L1 не является обязательным элементом выпрямителя фильтра. Резисторы R1, R2 создают цепь разряда конденсаторов C1, C2 после отключения блока питания от сети.
Возможность питания от сети 115В реализуется введением в схему выпрямителя переключателя выбора питающего напряжения. Замкнутое состояние переключателя соответствует низкому напряжению питающей сети (~115 В). В этом случае выпрямитель работает по схеме удвоения напряжения, а процесс зарядки будет происходить следующим образом. Пусть в некоторый момент времени на входе выпрямителя положительный полупериод сетевого напряжения. Это эквивалентно действию внешнего источника, на клемме 1 которого положительный полюс, а на клемме 2 — отрицательный. Заряд конденсатора С1 будет происходить по цепи:
+Uсети(клемма 1) → D2 → L1 → С1 → SW1 → NTCR1 → -Ucemи (клемма 2).
При смене полярности полупериода входного напряжения будет происходить заряд конденсатора С2 по цепи:
+Uсети(клемма 2) → NTCR1 → SW1 → С2 → D1 → -Uсети (клемма 1).
Выходное напряжение соответствует суммарному значению напряжения на конденсаторах C1, C2.
Одной из функций выпрямителя является ограничение тока зарядки входного конденсатора низкочастотного фильтра, выполненное элементами, входящими в состав выпрямительного устройства блока питания. Необходимость их применения вызвана тем, что режим запуска преобразователя близок к режиму короткого замыкания. Зарядный ток конденсатора при подключении его непосредственно к сети может быть значительным и достигать нескольких десятков-сотен ампер. Здесь существует две опасности, одна из которых — выход из строя диодов низкочастотного выпрямителя, вторая — износ электрических фольговых конденсаторов входного низкочастотного фильтра при протекании больших токов через обкладки.
Применение термисторов типа NTCR1 с отрицательным ТКС (рис. 1.7), включаемых последовательно в цепь заряда конденсатора, позволяет устранить нежелательные эффекты заряда входного конденсатора низкочастотного фильтра. Принцип ограничения тока основан на нелинейных характеристиках этих элементов. Термистор имеет некоторое сопротивление в «холодном» состоянии, после прохождения пика зарядного тока резистор разогревается и его сопротивление становится в 20...50 раз меньше. В номинальном режиме работы оно останется низким. Преимущества этой схемы ограничения очевидны: простота и надежность. В высококачественных источниках питания используются варисторы Z1, Z2. Их применение объясняется необходимостью защиты блока от превышения напряжения в питающей сети.
